

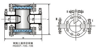
Nominal diameter DG PN ≤ 10MPa drawing number PN ≤ 25MPa drawing number
Boundary dimension ﹣ glass plate ﹣ boundary dimension ﹣ glass plate ﹣
H L diameter thickness h l diameter thickness
25 × 32 260 226 95 15 HGS07-105-01-1-7 260 234 95 15 HGS07-106-01-1-7
40 × 50 320 226 140 20 HGS07-105-02-1-7 320 278 140 20 HGS07-106-02-1-7
50 × 65 320 266 140 20 HGS07-105-03-1-7 320 278 140 20 HGS07-106-03-1-7
65 × 80 360 300 165 20 HGS07-105-04-1-7 360 308 165 20 HGS07-106-04-1-7
80 × 100 360 300 165 20 HGS07-105-05-1-7 360 308 165 20 HGS07-106-05-1-7
Repair and maintenance:
A. the mirror glass is suitable for damage. Handle it carefully when installing the mirror.
B. the mirror is a flow reaction equipment used to observe liquid, gas, steam and other media, and its window glass shall be kept clean and dust-free.
C. temperature resistance and pressure resistance of glass have certain limitations. Temperature resistance: tempered borosilicate glass: ≤ 180 ℃, quartz glass: 800 ℃. Pressure resistance: tempered borosilicate glass sheet: ≤ 3.0MPa,
Quartz glass sheet: < 10.0MPa, tempered borosilicate glass cylinder: < 1.0MPa, quartz glass cylinder: < 1.6Mpa. The allowable temperature of glass is less than 60 ℃ ~ 100 ℃
D. in case of any crack or damage, it must be replaced immediately.